Skip to content
Tìm kiếm
sales@asg.com.vn
(+84)243 722 6163
Sản phẩm
Sản phẩm
Xem tất cả
Vòng bi
Máy bơm bùn chìm Tsurumi
Máy bơm nước Ebara
Máy bơm ống Bredel
Máy bơm màng khí nén Verderair
Sản phẩm khác
Về chúng tôi
Liên hệ
LIÊN HỆ
Trang chủ
»
Sản phẩm
»
Vòng bi
»
NSK
»
Vòng bi nhào tròn
Vòng bi nhào tròn
LIÊN HỆ
CHI TIẾT
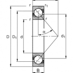
Đường kính trong (d): 10mm –110mm
Đường kính ngoài (D): 30mm – 240mm
Độ dày vòng bi (B): 9mm – 80mm
Về ASG
Liên hệ
Sản phẩm
Tin tức & Sự kiện
Back to top
Tìm kiếm